8 (0162) 533 566

с 9:00 до 17:30 (опт)
с 9:00 до 17:00 (розница)

8 (0162) 533 566

8 (033) 691 91 77
8 (029) 798 35 44

Наш адрес: 224024, г. Брест
ул. Красногвардейская, 108Б Схема проезда

Лучшие цены в Бресте!
Официальные сертификаты на всю продукцию!
Работаем оптом и в розницу!
Свой аппарат для колеровки краски !

Саморез оконный

Саморез оконный
Саморез оконный
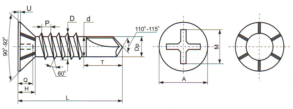
Предназначен для соединения пластмассовых профилей с усиливающими элементами и других монтажных работ
 
Уменьшенная потайная головка с насечками для раззенковки, крестообразный шлиц Philips № 2, наконечник - сверло, частая резьба, белый цинк

Монтаж: закрутить саморез при помощи отвертки или дрели с крестообразной насадкой Phillips №2. Представлен в виде стержня со сверловым окончанием, так как в основном работать им приходится с металлом, этим фактом обусловлены и часто расположенные витки резьбы.
 
Головка  потайная c крестообразным шлицем (Philips №2) и расположенными на внутренней части насечками, служащими для раззенковки отверстия.
Покрытие - желтый или белый цинк.

Технические характеристики

Размер (D x L)L, ммQ, ммA, ммP, ммD, ммDp, ммU, ммH, ммT, мм
3,9х13 12,30-13,37 2,03-2,53 7,14-7,50 1,3-1,4 3,75-3,91 3,05-3,20 0,8 2,4-2,5 4,5-5,5
3,9х16 15,30-16,70 2,03-2,53 7,14-7,50 1,3-1,4 3,75-3,91 3,05-3,20 0,8 2,4-2,5 4,5-5,5
3,9х19 18,30-19,70 2,03-2,53 7,14-7,50 1,3-1,4 3,75-3,91 3,05-3,20 0,8 2,4-2,5 4,5-5,5
3,9х25 24,30-25,70 2,03-2,53 7,14-7,50 1,3-1,4 3,75-3,91 3,05-3,20 0,8 2,4-2,5 4,5-5,5
3,9х32 31,30-32,70 2,03-2,53 7,14-7,50 1,3-1,4 3,75-3,91 3,05-3,20 0,8 2,4-2,5 4,5-5,5
3,9х35 34,30-35,70 2,03-2,53 7,14-7,50 1,3-1,4 3,75-3,91 3,05-3,20 0,8 2,4-2,5 4,5-5,5