8 (0162) 533 566
с 9:00 до 17:30 (опт)
с 9:00 до 17:00 (розница)
8 (0162) 533 566
8 (033) 691 91 77
8 (029) 798 35 44
Наш адрес: 224024, г. Брест
ул. Красногвардейская, 108Б Схема проезда
-
Крепежная техника
-
Ручной инструмент
-
Электроинструмент и оснастка
-
Оборудование для промышленности
-
Средства индивидуальной защиты
-
Строительные материалы
-
Хозяйственные товары
-
Электротовары
-
Измерительный инструмент
-
Лестницы стремянки
-
Автомобильные товары
-
Мойки высокого давления
-
Сантехника
-
Аппараты для сварки полимерных труб
-
Инструмент для монтажа труб и расходные материалы
-
Канализационные трубы
-
Наружная канализация
-
Коллекторы для воды
-
Коллекторные фитинги
-
Металлопластиковые трубы
-
Обжимные фитинги для металлопластиковых труб
-
Полимерные трубы
-
Шаровые краны для металлопластиковых труб
-
Полипропиленовые трубы
-
Радиаторы отопления
-
Фильтры сантехнические
-
-
Бензоинструмент и оснастка
-
Садовая техника
Лучшие цены в Бресте!
Официальные сертификаты на всю продукцию!
Работаем оптом и в розницу!
Свой аппарат для колеровки краски !
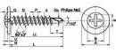
Саморез с прессшайбой со сверлом
Предназначен для крепления листового металла к металлическим профилям.
Головка полусферическая с пресс-шайбой, шлиц Philips No2, частая резьба, наконечник сверло, белый цинк.
Материал: сталь C1018, С1022.
Монтаж: Закрутить саморез при помощи дрели с крестообразной насадкой "Phillips" №2.
Технические характеристики
| Размер (d x L) | L, мм | H, мм | D, мм | A, мм | P (шаг резьбы), мм |
|---|---|---|---|---|---|
| 12,5-13,5 | 1,9-2,35 | 4,15-4,28 | 10,6-10,8 | 1,6-1,75 | |
| 13,5-14,5 | 1,9-2,35 | 4,15-4,28 | 10,6-10,8 | 1,6-1,75 | |
| 15,5-16,5 | 1,9-2,35 | 4,15-4,28 | 10,6-10,8 | 1,6-1,75 | |
| 18,5-19,5 | 1,9-2,35 | 4,15-4,28 | 10,6-10,8 | 1,6-1,75 | |
| 24,0-26,0 | 1,9-2,35 | 4,15-4,28 | 10,6-10,8 | 1,6-1,75 | |
| 31,0-33,0 | 1,9-2,35 | 4,15-4,28 | 10,6-10,8 | 1,6-1,75 | |
| 40,0-42,0 | 1,9-2,35 | 4,15-4,28 | 10,6-10,8 | 1,6-1,75 | |
| 50,0-52,0 | 1,9-2,35 | 4,15-4,28 | 10,6-10,8 | 1,6-1,75 | |
| 56,0-58,0 | 1,9-2,35 | 4,15-4,28 | 10,6-10,8 | 1,6-1,75 | |
| 74,0-76,0 | 1,9-2,35 | 4,15-4,28 | 10,6-10,8 | 1,6-1,75 |



Разработка сайта