8 (0162) 533 566

с 9:00 до 17:30 (опт)
с 9:00 до 17:00 (розница)

8 (0162) 533 566

8 (033) 691 91 77
8 (029) 798 35 44

Наш адрес: 224024, г. Брест
ул. Красногвардейская, 108Б Схема проезда

Лучшие цены в Бресте!
Официальные сертификаты на всю продукцию!
Работаем оптом и в розницу!
Свой аппарат для колеровки краски !

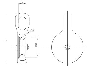
Блок одинарный

Блок одинарный
Блок одинарный

Блок с пластиковым шкивом для неметаллических и стальных канатов предназначен для изменения направления движения каната и увеличения силы в грузоподъемном оборудовании.

Материал: углеродистая оцинкованная сталь.

Технические характеристики

Обозначениеd, ммA, ммL, ммПрименяемый трос, ммРабочая нагрузка, kH
15 мм 15 10 50 6 1,5
20 мм 20 11 60 7 2,0
25 мм 25 12 70 7 2,3
30 мм 30 13 80 8 2,5
40 мм 40 14 93 10 3,0
50 мм 50 16 113 12 3,9