8 (0162) 533 566
с 9:00 до 17:30 (опт)
с 9:00 до 17:00 (розница)
8 (0162) 533 566
8 (033) 691 91 77
8 (029) 798 35 44
Наш адрес: 224024, г. Брест
ул. Красногвардейская, 108Б Схема проезда
-
Крепежная техника
-
Ручной инструмент
-
Электроинструмент и оснастка
-
Оборудование для промышленности
-
Средства индивидуальной защиты
-
Строительные материалы
-
Хозяйственные товары
-
Электротовары
-
Измерительный инструмент
-
Лестницы стремянки
-
Автомобильные товары
-
Мойки высокого давления
-
Сантехника
-
Аппараты для сварки полимерных труб
-
Инструмент для монтажа труб и расходные материалы
-
Канализационные трубы
-
Наружная канализация
-
Коллекторы для воды
-
Коллекторные фитинги
-
Металлопластиковые трубы
-
Обжимные фитинги для металлопластиковых труб
-
Полимерные трубы
-
Шаровые краны для металлопластиковых труб
-
Полипропиленовые трубы
-
Радиаторы отопления
-
Фильтры сантехнические
-
-
Бензоинструмент и оснастка
-
Садовая техника
Лучшие цены в Бресте!
Официальные сертификаты на всю продукцию!
Работаем оптом и в розницу!
Свой аппарат для колеровки краски !
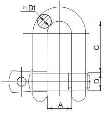
Скоба такелажная
Предназначена для соединения цепей и канатов между собой или крепления к чему-либо.
Стальная соединительная скоба для всех типов канатов и цепей. Размер определяется по диаметру поперечного сечения пальца.
Материал: углеродистая оцинкованная сталь.
Технические характеристики
| Размер (D) | D1, мм | C, мм | A, мм | Рабочая нагрузка, kH |
|---|---|---|---|---|
| 5 | 20 | 10 | 0,8 | |
| 6 | 24 | 12 | 1 | |
| 8 | 32 | 16 | 2 | |
| 10 | 40 | 20 | 3 | |
| 12 | 48 | 24 | 5 | |
| 16 | 64 | 32 | 8 |



Разработка сайта